氣胎離合器AH型
瀏覽: 發布日期:2017年-05月-23日 17時:45分:36秒
氣胎離合器AH型產品概述AH型的氣囊與摩擦片為脫卸型,可單獨更換配件.同時摩擦片安裝在鋁質底座上熱傳導及散熱效果及耐熱性好.
氣胎離合器AH型產品型號
窄:AHN-11.5(11.5VC500),AHN-14(14VC500),AHN-16(16VC600),AHN-20(20VC600),AHN-24(24VC600),AHN-28(28VC650),AHN-33(33VC650),AHN-38(38VC650),AHN-42(42VC650),AHN-46(46VC650 ) ,AHN-52(52VC1200).
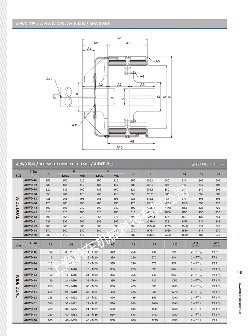
寬:AHWD-16(D16VC1000),AHWD-20(D20VC1000) ,AHWD-24(D24VC1000) , AHWD-28(D28VC1000),AHWD-32(D32VC1000),AHWD-38(D38VC1000) ,AHWD-42(D42VC1200),AHWD-46(D46VC1200),AHWD-52(D52VC1200),AHWD-51(D51VC1600) ,AHWD-60(D60VC1600) ,AHWD-66(D66VC1600).
氣胎離合器AH型外形尺寸







氣胎離合器AH型應用在工業,礦山,石油業,同等伊頓離合器VC型,兩者可同等相互替換,AH型的優勢在于價格低,貨期短.










